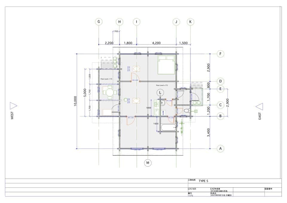
タイプ5の間取り図面です。
TYPE 5
クルタラ−デン社のログハウスTYPE5の間取り図面です。
モデルを公開していますがクルタラーデン社のログハウスキットは自由設計が基本です。日本の告示基準を満たしていればご希望の間取りのデザインでも出来ると思いますのでご気軽にご相談下さい。ログハウスキット価格はお安く設定しています。
当社ログハウスキット標準仕様について詳しくは キット内容からご覧下さい。
キット内容からご覧下さい。 
TYPE 5 図面
プレカットログ一式 
ノッチ加工 
ダボ穴 
電気穴 
通しボルト穴 
キーウェイ加工 
以上の加工処理済み。
 
その他木材 
1.1階 根太/根太掛 /床板/幅木/間柱 
/ログパネル・/天井板/ 天井見切り/額縁/断熱材受け
柱等がある場合はその時のログのサイズに準ずる 
2.2階 根太/床板/幅木/間柱/ログパネル
額縁/天井板/ 天井見切り/垂木/野地板
当社野地板を使用せず日本製の野地合板をお使いになる場合はお値引きの対象になりますので事前にお知らせ下さい。
柱等がある場合はその時のログのサイズに準ずる 
3.ベランダ 注入材根太/注入材床板 
4.土台 土台.大引は標準キットには含まれていません。
収納用引き戸•折戸は含まれませんのでご注意下さい。
5.釘は現状コンプレッサーによる釘打ち、フニィシャー釘にによる仕上げ。またコースレットを使用するお客さまが増えております。
釘に関して必要な方は事前にお知らせください。
MODELS  
当社のモデルプランの間取り図面です。
間取りは自由設計が基本
クルタラ−デン社のモデル です。
モデルを公開していますがクルタラーデン社のログハウスキットは自由設計が基本です。日本の告示基準を満たしていればご希望の間取りのデザインでも出来ると思いますのでご気軽にご相談下さい。当社のmodelsにあるモデルプランは、みなさまのインスピレーションのもとになるアイデアになる参考例です。家族構成や用途に応じて間取りを自由に設計してください。ログハウスには収納が少ないのが常です、なるべく収納を確保するデザインにしましょう。
プランニング・デザインなどのモデルプランニングはお客様のご要求に応えるためにカスタマイズができますし。そして自由設計が基本ですので 間取りも構造上問題がなければ自由設計できます。また他社とは異なり 建具等のメーカーの選択・オプション等が自由に出来ます。つまり世界で一つだけの オリジナルのログハウスが出来ます。ログハウスキット価格はお安く設定しています。モデルの積算方法はあくまで木材の使用量・建具本数等・コンテナー本数で決まりますのでデザインによるものではありません。例えば面積の大きなログハウスでも間仕切り壁などが少なく建具本数が少なければ坪単価は割安になりますし、またその逆で小さなログハウスでも間仕切り壁が多く、使用する木材が多く、建具本数が多ければ坪単価は割高になります。よくお客様より坪単価に対してのご質問がありますが、上記内容にてなかなかお答えしにくいのが実情です。
まずは寸法入りのラフスケッチのお図面でもいただければ当方にてお図面作成・正確なお見積もりが出来ますので、お気軽にご相談下さい。クルタラーデン社のログハウスキットのコンセプトは自由です。
クルタラーデン社のログハウスの特長
他社と異なりコスト軽減で段数を減らしたり、ノッチの数を減らしたりする事はありません。妻壁や間仕切り壁も出来るだけログ壁で設計します。
  価格表
価格表   MODELSに戻る
MODELSに戻る


 
 
 MODELSに戻る
MODELSに戻る